![]() |
![]() |
ACTION: The subordinate shaft is driven for normal or reverse direction to atract one of two armatures which rotats counter wise direction by two bevlel gears on motor driven main shaft. This reversible clutch is used for machines which repeats rotating of normal or reverse direction. |
| MERITS: Smooth and instanious changing rotation from normal to reverse direction. Repeated frequent changing of rotation is available. Long enduring life. |
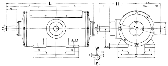
| Specification and dimension: |
| (Please refer to us about the dimension not listed below) |
|
model No.
|
Torque
Nm |
Volt
DC V |
Amp
mA |
Weight
kg |
Motor
kw |
L
|
H
|
P
|
S
|
W
|
U
|
|
FRC-30
FRC-50 |
7
40 |
90
90 |
86
150 |
12
26 |
0.2
1.5 |
303
419 |
145
180 |
122
170 |
15
24 |
5
7 |
3
4 |
| Illustration. |
![]() |
| Please specify followings on your order. |
| 1. | Brake name. Type and model No. | ||
| 2. | Brake torque. |
Nm
|
|
| 3. | Diameter of shaft hole. |
φ
|
|
| 4. | Input voltage. |
(of power unit) AC/DC
|
V
|
| 5. | Power source unit. |
Model No.
|
V
|
| 6. | Former mfg.No. (for replacement) | No. (ex; EY-1234) | |
| 7. | Special spec. | ||
| 8. | Reqired pieces and delivery date. |
Piece.
|
Date. |
| 9. | Your name and company name. |
|
|
| 10. | Your correspondence No. | Tel/Fax/E-mail: | |